静态传输 静态传输

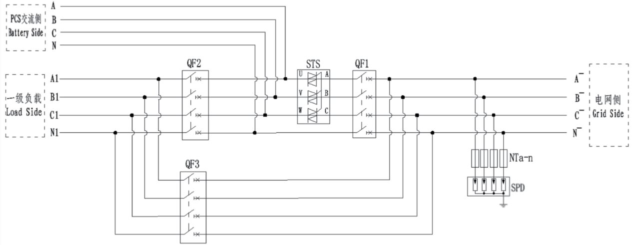
STS (静态传输开关) 机箱主要用于电网开 / 关开关。当电网质量较弱或关键负载不能关闭时,STS 可在 20 毫秒内实现无缝开关。

分享

静态传输开关盒
静态传输开关盒
产品特性 产品拓扑

产品特性

01

低维护成本:配备旁路电源设计,以确保可靠的负载电源供应并降低维护成本。

02

ms level seamless switching.

03

Multi application scenarios: Suitable for various occasions such as data center.

04

High compatibility: INPTSZ has highly compatible trigger signals and a wide range of applications.

产品拓扑

Static Transfer Switch Cabinet


ModelINPSTSZ-500/0.4INPSTSZ-800/0.4INPSTSZ-1000/0.4INPSTSZ-1250/0.4
Rated current722A1155A1443A1804A
Rated Power500kVA800kVA1000kVA1250kVA
Rated Voltage400V(-15%~+15%)
AC frequency50/60Hz
Switching duration≤20ms
Grid Side interfaceA/B/C/N
PCS Side interfaceU/V/W/N
Load Side interfaceU/V/W/N
ProtectionIP55
Cabinet sizeW1000mm XD1300mmX H2000mm
CertificationEN/IEC 61000-6-1/2/3/4
EN/IEC 61439-1/-2

相关产品

产品展示

125kW混合逆变器模块

英博电气光储一体变流器模块是一款集成了12路独立的MPPT支路、电池接口以及电网接口的光储一体变流器。

查看更多 + 125kW混合逆变器模块