产品特点
01
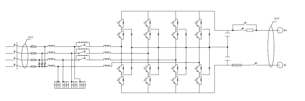
三相四桥臂设计,具备单相、三相有功无功控制功能。
02
支持多机并联,良好的扩容性。
03
机架式/壁挂式可一机兼容,标准 U型机柜尺寸设计。
04
100% 三相不平衡带载能力,抗冲击负荷能力强。
05
三电平拓扑结构,效率高达 98.2%。
06
一次线、二次线均可自由选择前后接线方向,便于集成适配。
产品原理

| 产品型号 | INPPCS 50/0.4-W |
| 直流侧参数 | |
| 直流电压范围 | 600-850V |
| 额定功率 | 50kW |
| 直流最大电流 | 96A |
| 交流侧参数(并网) | |
| 额定功率 | 50kW |
| 额定电压 | 400V/380V |
| 允许电网电压范围 | 400V/380V(-20%~+15%) |
| 额定电流 | 72A/76A |
| 输出频率 | 50Hz/60Hz |
| 输出频率范围 | 50Hz/60Hz±2.5Hz |
| 接线方式 | 3+N+PE |
| THDI | ≤3%(满载) |
| 功率因数 | -0.99~+0.99 |
| 交流侧参数(离网) | |
| 交流离网电压 | 400V/380V |
| 输出频率 | 50Hz/60Hz |
| 离网输出THDU | ≤3%(满载) |
| 不平衡负载能力 | 100% |
| 过载能力 | 1.1倍(长期),1.2倍(1Min)(温度≤35℃时) |
| 通讯方式 | |
| 显示 | 无 |
| 通讯接口 | LAN、CAN、RS485 |
| 保护 | 过温、输入输出过欠压、防反接、输出过流等 |
| 常规参数 | |
| 最大效率 | ≥98.2% |
| 工作温度范围 | -20℃~+50℃(>45℃降额) |
| 防护等级 | IP20 |
| 海拔高度 | 3000m(>2000m降额使用) |
| 相对湿度 | 0~95%无凝露 |
| 尺寸(宽*深*高) | 480mm*620mm*186mm |
| 重量 | 50kg |
相关产品
产品展示