225/450kW 液体冷却逆变器模块

INPPCS-450 模块是一种专为 1500Vdc 电池系统设计的模块化储能逆变器。模块直流侧分别支持多达两个分支的接入和串管理。该模块额定功率为 450kW, 具有三电平拓扑结构,支持多种功能,在大规模商业 / 工业应用和中压 (MV)/ 高压 (HV) 并网场景中提供了出色的性能。该产品具有广泛的直流电压范围和 IP66 保护等级,确保了在不同运行环境中提高的灵活性和可靠性。该产品基于液冷设计,并与 HV 盒集成,整体能量密度更高,应用适应性更强。

分享

225/450kW 液冷逆变器模块
225/450kW 液冷逆变器模块
产品特性 产品拓扑

产品特性

01

支持多个设备的并行连接,可以支持大型发电项目。

02

Supports multiple operation modes such as PQ/VF/VSG.

03

Liquid cooling heat dissipation for better temperature control.

04

Results in high efficiency with low consumption.

05

HV box internally integrated, higher energy density, and better system management.

06

High protection level to adapt to more application scenarios.

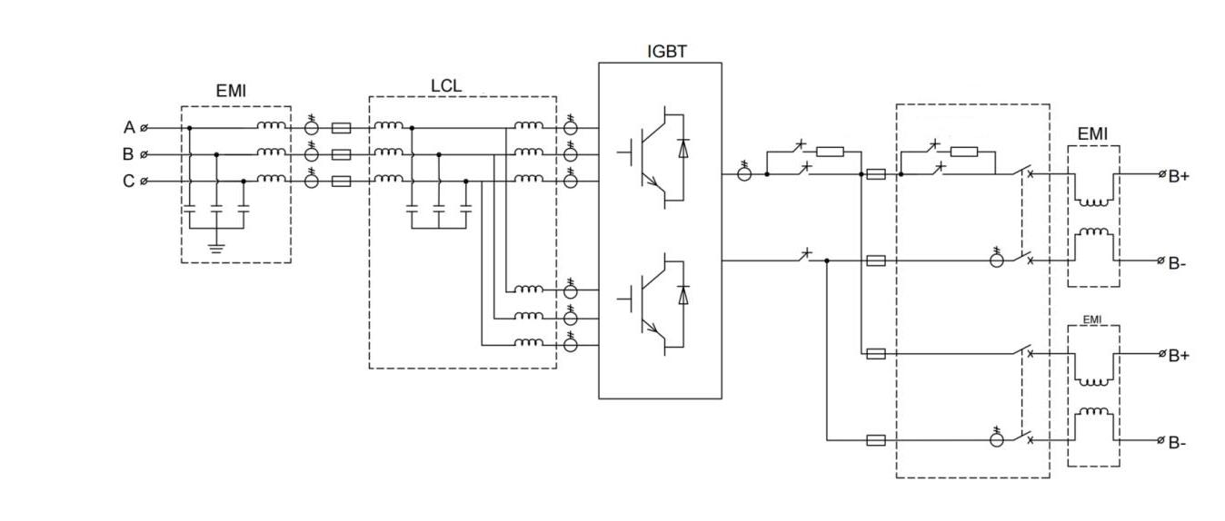
产品拓扑

225/450kW Liquid Cooling Inverter Module

模型INPPCS-225INPPCS-450
直流侧参数
额定功率225kW450kW
直流电压范围1000V~1500V (1050V–1500V at Full Load)1000V~1500V (1050V–1500V at Full Load)
额定直流电214A214A ×2
AC 侧面参数
额定功率225kW450kW
额定交流电压690Vac (-15% ~ +15%)690Vac (-15% ~ +15%)
额定交流电188A376A
网格频率范围50/60Hz (±2.5Hz)50/60Hz (±2.5Hz)
THDI≤3% (Full Load)≤3% (Full Load)
THDU≤3% (Linear Load)≤3% (Linear Load)
交流功率系数 (AC PF)-1 ~ 1-1 ~ 1
一般参数
保护IP66IP66
海拔3000m (Full Load)3000m (Full Load)
温度范围-30℃ ~ 60℃ (>55℃ Derating)-30℃ ~ 60℃ (>55℃ Derating)
湿度≤95% (No Condensation)≤95% (No Condensation)
冷却方法Liquid CoolingLiquid Cooling
最大效率≥99%≥99%
尺寸 (W×D×H 毫米)750 × 1130 × 220750 × 2000 × 220
体重200kg300kg
BMS 通信CAN / RS485 / EthernetCAN / RS485 / Ethernet
EMS 通信EthernetEthernet
认证

EN/IEC 61000-6-2/4

EN/IEC 62477-1

Grid Codes (e.g., EN 50549 / VDE 4110 / G99

etc.

相关产品

产品展示

125kW储能变流器模块

本产品是一款专为314Ah 大电芯打造的工商业专用PCS,支持600-1000V超宽直压范围,完美适配485、525液冷电池簇。同时采用SIC功率器件,效率超99%,且保留了英博特色的三相四桥臂设计,可满足100%不平衡带载。更有高压箱融合版可选,大幅降低集成成本,减少故障点

查看更多 + 125kW储能变流器模块

35kW储能变流器模块

100kW模块是一种高度适应性的模块,专为C&I应用场景设计,如功率分配、光伏系统充电、工业钻探、机械应用等;它能够满足峰值削减、功率因数优化以及电能质量相关应用的需求。它还能管理需求荷载,提高供电可靠性,降低电力成本。该模块符合CE认证。

查看更多 + 35kW储能变流器模块

50kW储能变流器模块

本产品是一款专为小型储能系统量身打造的模块化变流器产品,额定功率为50kW,是储能装置中的核心功率变换单元,支持双向能量流动、宽范围电池电压,可与多种类型电池搭配使用,满足工商业储能、台区储能、光储微电网等多种应用场景的需求,安装使用灵活

查看更多 + 50kW储能变流器模块

100kW储能变流器模块

100kWPCS(C系列三桥臂&四桥臂):C系列分为两款,分别是三桥臂四线与四桥臂四线。

查看更多 + 100kW储能变流器模块

280kW储能变流器模块

280kW-IP65风冷融合版,单机280kW容量,直流侧单支路融合高压箱,纯碳四桥臂功率模块,集成上兼容平放、侧放。适配587Ah+大电芯1000Vdc(可满载)工商业一体柜集成需求。IP65高防护模块,产品稳定可靠,环境适应性好,温度适应性好。

查看更多 + 280kW储能变流器模块

215kW储能变流器模块

本产品是一款专为5MW(直流24路)组串式升压一体机以及314Ah分布式储能系统量身打造的模块化变流器产品,额定功率为215kW;具备IP66高防护等级,1000~1500V宽范围电池电压。

查看更多 + 215kW储能变流器模块

450kW液冷储能变流器模块

​液冷融合高压箱版模块化储能变流器,额定功率450kW,是储能装置中的核心功率变换单元,采用三电平拓扑结构,支持双向能量流动、宽范围电池电压,可与多种类型电池搭配使用,满足不同应用场景的需求,安装使用灵活。

查看更多 + 450kW液冷储能变流器模块