100kWPCS(C系列三桥臂&四桥臂):C系列分为两款,分别是三桥臂四线与四桥臂四线。其中三桥臂四线产品可以带一定比例的不平衡负载,适用于标准工商业两充两放峰谷套利场景,具备极致性价比。四桥臂四线产品具备纯单相带载能力,应用于离网场景、不平衡较为严重的工商业场景、台区场景等。如选择四桥臂PCS,则一款储能柜可以适配所有应用场景。
100KWPCS(C系列四桥臂海外版):采用四桥臂设计,专为海外电网环境打造,适用于海外工商业、光储充、纯离网等场景。也可以与我司MPPT、STS等产品搭配使用。具备CE认证及多个国家并网认证(TUV菜茵)。
分享
产品特性
01
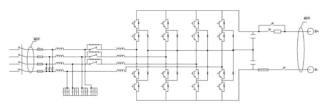
三相四线设计,具备单相、三相有功无功控制功能,同时四桥臂产品具备纯单相带载能力。
02
交流侧接受20台直接并联(井网模式下)。
03
抽屉式/侧放式均可兼容,前接线后接线可选,安装方式更加灵活。
04
100% 三相不平衡带载能力,完美适配台区/工商业/微网等工况。
05
支持并离网无缝切换功能,切换时间<20ms。
06
具备 PQ、VF、VSG、黑启动功能。
产品原理

| 产品型号 | INPPCS-100/0.4-W-25-C1 | INPPCS-100/0.4-W-X4-C1 | INPPCS-100/0.4-W-X4-C1-OS |
| 直流侧参数 | |||
| 直流电压范围 | 600-950V,满载680V-900V | 600V~950V,满载630~900V | |
| 额定功率 | 100kW | ||
| 直流最大电流 | 177A | 192A | 190A |
| 交流侧参数(并网) | |||
| 额定功率 | 100kW | ||
| 额定电压 | 400V | ||
| 允许电网电压范围 | 400V(-20%~+15%) | 340V~460V | |
| 额定电流 | 145A | ||
| 输出频率 | 50Hz/60Hz±2.5Hz | ||
| 接线方式 | 三桥臂四线 | 三相四桥臂 | |
| 电流总谐波畸变革 | ≤3% | ||
| 功率因数 | -0.99~+0.99 | ||
| 交流侧参数(离网) | |||
| 交流离网电压 | 400V | ||
| 输出频率 | 50Hz/60Hz | ||
| 离网输出THDU | ≤3%(线性负载) | ||
| 不平衡负载能力 | 100% | ||
| 过载能力 | 1.1倍长期,1.2倍1Min(温度≤45℃时) | 1.1倍长期,1.2倍1Min(温度≤35℃时) | |
| 通讯方式 | |||
| 显示 | 无 | ||
| 通讯接口 | 网口、CAN、RS485 | ||
| 保护 | 过温、输入输出过欠压、防反接、输出过流等 | ||
| 常规参数 | |||
| 最大效率 | ≥98% | ||
| 工作温度范围 | -20℃~60℃(>55℃需降额) | -20℃~60℃(>45℃需降额) | |
| 防护等级 | IP20 | ||
| 海拔高度 | 3000m(2000-3000m需降额使用) | ||
| 相对湿度 | ≤95% | ||
| 尺寸(宽*深*高) | W480mm*H260mm*D659mm | ||
| 重量 | 58kg | 70kg | 70kg |
相关产品
产品展示