产品特性
01
具备24台交流侧直接并联能力。
02
具备构网型功能。
03
抽屉、立放一机兼容,安装灵活。
04
IP66高防护等级,适应严苛环境。
05
最大效率>99%。
06
具备高低电压穿越、连续故障穿越功能,满足GB/T34120-2023新标准要求。
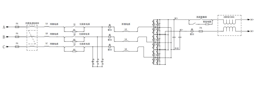
产品原理

| 产品型号 | INPPCS-215/0.69-W-13-A2 |
| 直流侧参数 | |
| 直流电压范围 | DC1000V~1500V |
| 直流最大电流 | 245A |
| 额定直流功率 | 215kW |
| 稳压精度 | ≤±2% |
| 稳流精度 | ≤±3% |
| 交流并网参数 | |
| 额定输出功率 | 215kW |
| 额定电压 | 690V |
| 额定输出电流 | 180A |
| 交流接入方式 | 三相三线 |
| 隔离方式 | 非隔离 |
| 电网电压范围 | 960V(-15%~+15%) |
| 电网频率范围 | 50Hz/60Hz±2.5Hz |
| 电流总谐波畸变率 | ≤3%(满载) |
| 功率因数 | -0.99~+0.99 |
| 电流直流分量 | ≤0.5% |
| 交流离网参数 | |
| 交流离网电压 | AC690V |
| 交流电压范围 | AC690V±3% |
| 交流离网频率 | 50Hz/60Hz |
| 离网输出THDU | ≤3%(线性负载) |
| 其他参数 | |
| 最大转换效率 | ≥99% |
| 允许环境温度 | -30℃~+60℃(>45℃需降额) |
| 允许相对湿度 | ≤95% |
| 防护等级 | IP66 |
| 海拔 | <4000m(>2000m降额) |
| 尺寸(宽*深*高) | W750mm*H275mm*D820mm(箱体尺寸) |
相关产品
产品展示