产品特性
01
支持的直流电压范围更宽,可在600-1000V之间,能适配不同的电池系统配置。
02
功率器件采用SIC器件,相比于传统的IGBT整机效率更高,产品损耗低,利于工商业用户
03
项目收益率提升。
04
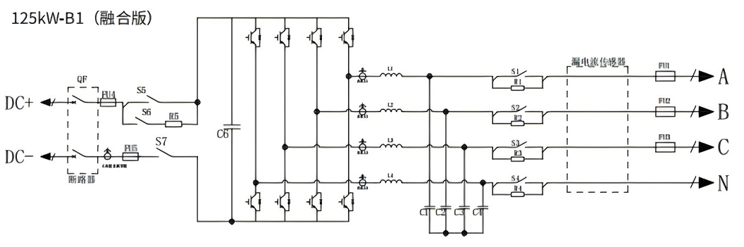
三相四桥臂技术特色,硬件构架保持英博特色。
05
高效率,满载效率≥98%,最大效率 99%。
06
融合版:融合高压箱方便用户集成,节省空间和成本。
07
融合版:BCU兼容市场主流厂家,通过前面板插入的安装方式,方便BCU的升级维护,电磁兼容好。
产品原理

| 产品型号 | INPPCS-125/0.4-W-14-A2 | INPPCS-125/0.4-W-14-B1 |
| 直流侧参数 | ||
| 直流电压范围 | 600-1000V(630V~950V满载) | |
| 额定直流电流 | 198A | |
| 额定直流功率 | 125kW | |
| 交流侧参数(并网) | ||
| 额定功率 | 125kW | |
| 额定电压 | 400V/380V | |
| 额定交流电流 | 180A/190A | |
| 交流接入方式 | 三相四线 | |
| 电网电压范围 | 400V(-15%~+15%) | |
| 电网频率范围 | 50Hz/60Hz±2.5Hz | |
| 电流总谐波畸变率 | ≤3%(满载) | |
| 功率因数 | 0.99/-1~1 | |
| 电流直流分量 | ≤0.5% | |
| 交流侧参数(离网) | ||
| 交流离网电压 | 400V/380V | |
| 交流电压范围 | 400V/380V±3% | |
| 交流离网频率 | 50Hz/60Hz | |
| 离网输出THDU | ≤3%(线性负载) | |
| 不平衡负载能力 | 100% | |
| 其它参数 | ||
| 最大转换效率 | ≥99%,满载≥98% | |
| 允许环境温度 | -30~60℃(40℃以下可1.1.倍长期运行,50℃以下满载) | |
| 允许相对湿度 | ≤95% | |
| 噪声 | ≤75dB | |
| 防护等级 | IP20 | |
| 海拔 | 3000m(>2000m降容使用) | |
| 尺寸 | W520mm×H200mm×D680mm | W520mm×H240mm×D800mm |
| 重量 | 60kg | 69kg |
| 冷却方式 | 强制风冷 | |
| 接线、出风方向 | 一二次在前、前进风后出风 | |
| BMS通信接口 | CAN或485 | |
| EMS通信接口 | 网口或485 | |
相关产品
产品展示