产品特点
01
三相四线设计,具备单相、三相有功无功控制功能,同时四桥臂产品具备纯单相带载能力。
04
抽屉式/侧放式均可兼容,前接线后接线可选,安装方式更加灵活。
02
100% 三相不平衡带载能力,完美适配台区/工商业/微网等工况。
05
支持并离网无缝切换功能,切换时间<20ms。
03
具备 PQ、VF、VSG、黑启动功能。
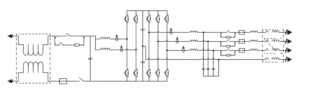
产品原理

| 产品型号 | INPPCS-35/0.4-W-33-A2 |
| 直流侧参数 | |
| 直流电压范围 | DC200V~850V;满载输出时,DC320V-850V |
| 直流最大电流 | 110A |
| 额定功率 | 35kW |
| 稳压精度 | ≤±2% |
| 稳流精度 | ≤±5% |
| 交流并网参数 | |
| 额定输出功率 | 35kW |
| 额定电压 | 400V/380V |
| 输出电流 | 51A/53A |
| 交流接入方式 | 三相四线(3P+N+PE) |
| 隔离方式 | 不隔离 |
| 电网电压范围 | 400V/380V±15% |
| 电网频率范围 | 50±2.5Hz |
| 电流总谐波畸变率 | ≤3% |
| 功率因数 | -0.99~+0.99 |
| 电流直流分量 | ≤0.5% |
| 交流离网参数 | |
| 交流离网电压 | 400V/380V |
| 离网输出THDU | ≤1%(线性负载) |
| 电压精度 | ≤1% |
| 不平衡负载能力 | 100% |
| 其他参数 | |
| 最大转换效率 | ≥98% |
| 允许环境温度 | -20℃~+55℃(>45℃需降额) |
| 允许相对湿度 | <95℃RH,无凝露 |
| 防护等级 | IP20 |
| 海拔 | <3000m(>2000m降额) |
| 尺寸(宽*深*高) | 480mm*550mm*173mm(包含挂耳) |
相关产品
产品展示