产品特点
01
超低运行电压,70V即可运行。
02
最大电流 600A,适配液流电池低电压大电流需求。
03
采用SIC功率器件,体积小、效率高。
04
完美适配英博电气PCS模块,协同控制、运行稳定。
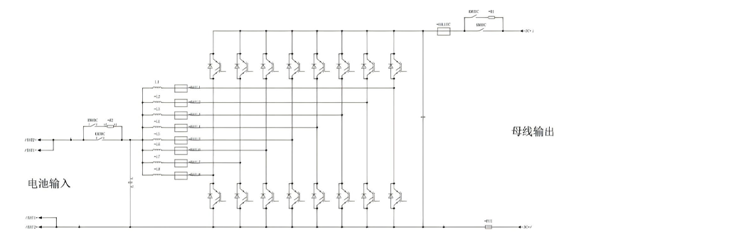
产品原理

| 产品型号 | INPDCDC-150/0.25-W1-A1 | INPDCDC-65/0.1-W1-A1 |
| BAT 侧直流电压范围(V) | 70-670V | 70-670V |
| BAT 侧额定电压(V) | 250V(250V 以下输入限流 600A) | 108V(108V 以下输入限流 600A) |
| BAT 侧最大电流(A) | 600A | 600A |
| BUS 高压侧电压范围(V) | 650~900V | 650~900V |
| BUS 高压侧额定电压(V) | 670V | 670V |
| BUS 侧最大电流 | 230A | 97A |
| 额定功率(kW) | 150kW | 65kW |
| 电压测量精度 | 1% | |
| 电流测量精度 | 1% | |
| 电流纹波有效值 | ≤2% | |
| 最高效率 | ≥99% | |
| 整机尺寸 | W520×H200×D680 | |
| IP 等级 | IP20 | |
| 重量 | ≤60KG | |
| 海拔 | 3000m | |
| 冷却方式 | 强制风冷 | |
相关产品
产品展示