INPMPPT模块是一款不隔离的光伏到直流的DCDC变流模块,此模块输入接太阳能光伏板,支持4路独立的光伏接入,输出可以接直流母线或电池。当光伏发电时,为电池充电或为直流母线供电,此模块的4路MPPT各自独立,进行更精细的光伏最大功率跟踪,显著提高光伏的利用效率。
分享
产品特性
01
模块功率器件采用碳化硅MOSFET,相比硅材料的功率器件,系统体积更小、效率更高(最大效率>99%)。同时具有高开关速度、低寄生电容、高阻断电压、低导通电阻等特点。
02
模块磁性器件采用高导磁金属磁粉芯电感,BS高(1.5T)、直流输出端整流滤波扼流圈不易饱和、具有良好的恒磁导特性。
03
模块采用交错并联拓扑,减小体积和重量、输出电流纹波更少、温升表现更好。
04
支持光伏快插接口、支持模块并联使用、且具备完善的保护功能。
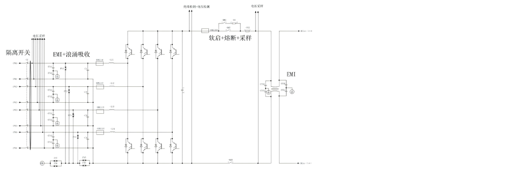
产品原理

| 产品型号 | INP-MPPT-62.5/0.15-W-1-A1-OS |
| MPPT 路数 | 4 路 |
| 光伏侧最大电压(V) | 1100 |
| MPPT 电压范围(V) | 150-1000 |
| 额定功率最小电压(V) | 350 |
| 额定功率(KW) | 62.5kW |
| 过载能力 | 1.1 倍长期 /1.2 倍 1 分钟(≤40℃时) |
| 光伏侧最大电流(A) | 50A*4 支路 |
| 母线(电池)侧运行电压范围(V) | 450-1000 |
| 最高效率 | ≥99% |
| 尺寸(宽 * 深 * 高) | 480mm*550mm*133mm |
| 重量 | ≤35kg |
| 噪声 | ≤70dB |
| 防护等级 | IP20 |
| 冷却方式 | 强制风冷 |
相关产品
产品展示