产品特点
01
超宽直流电压范围:300-900V。
02
具备一路MPPT控制,支持光伏接入。
03
支持多种电池类型,完善的变流器及电池保护功能。
04
路交错并联,输出纹波电流低对电池友好。
05
整机功率器件采用碳化硅MOSFET,体积更小,效率更高。
06
支持多种工作模式:低压侧恒压、低压侧恒流、低压侧恒功率、高压侧恒压、高压侧恒流。
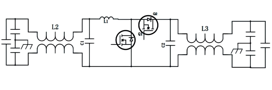
产品原理

| 产品型号 | INP DCDC 50/0.3-W | INP DCDC 100/0.3-W |
| 低压侧直流电压 | 300V~900V,满载 310V~900V | 300V~900V,满载 360V~900V |
| 高压侧直流电压 | 300V~900V,满载 500V~900V | 300V~900V,满载 500V~900V |
| 额定功率 | 50kW | 100kW |
| 低压侧最大电流 | 165A | 275A |
| 高压侧最大电流 | 120A | 200A |
| 电压测量精度 | ±1% | |
| 电流测量精度 | ±1% | |
| MPPT 功能 | 具备 | |
| 最大效率 | ≥99% | |
| 重量 | 28kg | |
| 工作温度 | -25℃~+60℃(>45℃时降容) | |
| 尺寸(宽 * 深 * 高) | 520mm*600mm*133mm | |
相关产品
产品展示