280kW 280kW储能变流器模块

INP-DC DC 双向变换器适用于非隔离 DC 到 DC 转换场景。该产品是一种双向 DC/DC, 具有 BUCK 模式和 BOOST 模式。DC/DC 变换器和储能逆变器的组合可以在同一系统中共同使用,并与 PV/BAT 相结合,成为一种高效的 DC 耦合解决方案。

分享

280kW储能变流器模块
280kW储能变流器模块
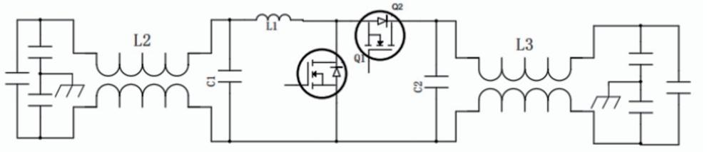
产品特性 产品拓扑

产品特性

01

超宽直流电压范围:350-850 V。

02

One-way MPPT control to support PV access.

03

Supports connection of multiple mainstream batteries.

04

4-way interleaved parallel, low output-ripple current, battery-friendly.

05

Supports multiple operating modes: constant voltage / constant current / constant power on LV or HV side.

06

The entire power device system employs SiC MOSFETs, smaller size and higher efficiency.

产品拓扑

50kW/100kW DCDC Module


ModelINPDCDC-50INPDCDC-100
MPPT Branches1
LV side Voltage Range300Vdc~900Vdc(Full load>310Vdc)
LV side Rated Current161A275A
HV side Voltage Range300Vdc~900Vdc(Full load>500Vdc)
HV side Rated Current100A200A
Rated Power50kW100kW
Maximum Efficiency≥99%
ProtectionIP20
Altitude2000m(Full load)
Temperature-25℃60℃(>45℃ derating)
Humidity≤95%(No condensation)
Cooling methodForced air cooling
DimensionW520*D600*H133
Weight28kg
Communication2*RS485 +2*CAN
CertificationEN/IEC 61000-6-2/4
EN/IEC 62477-1
EN/IEC 62109-1/2

相关产品

产品展示

50kW/100kWDCDC模块

INP-DCDC双向变流器是一款非隔离的直流到直流的能量变换器,此产品是一个双向的DCDC,输入到输出是BUCK模式,输出到输入是BOOST模式。INP-DCDC配合INP储能变流器使用可以拓宽电池电压范围,支持直流电压范围300-900V。同时具备MPPT控制,可支持光伏接入。

查看更多 + 50kW/100kWDCDC模块

65kWDCDC模块

65kWDCDC模块是连接低电压液流储能电池系统和直流母线的双向电流可控非隔离转换装置,运行中BAT侧电压要低于BUS侧电压20V,BAT侧到BUS可升压使用,BUS侧到BAT侧可降压使用。

查看更多 + 65kWDCDC模块

62.5kWMPPT模块

INPMPPT模块是一款不隔离的光伏到直流的DCDC变流模块,此模块输入接太阳能光伏板,支持4路独立的光伏接入,输出可以接直流母线或电池。当光伏发电时,为电池充电或为直流母线供电,此模块的4路MPPT各自独立,进行更精细的光伏最大功率跟踪,显著提高光伏的

查看更多 + 62.5kWMPPT模块