产品特点
01
高可靠性:INPSTSZ具备高速切换响应能力,确保负载在电源切换过程中不中断。
02
低维护成本:具备旁路供电设计,确保负载供电可靠,降低维护检修成本。
03
多应用场合:适用于数据中心、医院、工业设施等多种场合,确保关键负载的持续供电。、
04
高度兼容性:INPSTSZ具备高度兼容的触发信号,适用范围广泛。
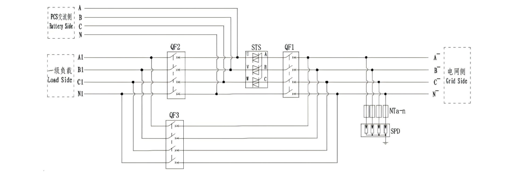
产品拓扑

| 产品型号 | INPSTSZ-500/0.4 | INPSTSZ-800/0.4 | INPSTSZ-1000/0.4 | INPSTSZ-1250/0.4 |
| 额定功率 | 500kVA | 800kVA | 1000kVA | 1250kVA |
| 额定电压 | 400V(-15%~+15%) | |||
| 额定电流 | 722A | 1155A | 1443A | 1804A |
| 交流频率 | 50/60Hz | |||
| 并/离网切换时间 | ≤20ms | |||
| 电网侧接口 | 1路(A/B/C/N) | |||
| PCS侧接口 | 1路(U/V/W/N) | |||
| 负载侧接口 | 1路(U/V/W/N) | |||
| 防护等级 | IP55 | |||
| 柜体尺寸 | 1000mm×1300mm×2000mm(宽*深*高) | |||
| 海外认证 | CE认证(TUV) | |||
相关产品
产品展示